免费咨询电话:400-047-0006

产品搜索
搜索
宏康服务
当前位置:
首页
/
/
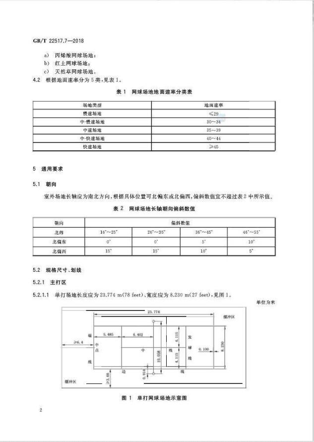
GBT 22517.7-2018体育场地使用要求及检验方法 第7部分:网球场地

GBT 22517.7-2018体育场地使用要求及检验方法 第7部分:网球场地

  • 分类: 执行标准
  • 作者:
  • 来源:
  • 发布时间:2019-06-27
  • 访问量: 78

【概要描述】

GBT 22517.7-2018体育场地使用要求及检验方法 第7部分:网球场地

【概要描述】

  • 分类: 执行标准
  • 作者:
  • 来源:
  • 发布时间:2019-06-27
  • 访问量: 78
详情

GBT 22517.7-2018体育场地使用要求及检验方法 第7部分:网球场地GBT 22517.7-2018体育场地使用要求及检验方法 第7部分:网球场地GBT 22517.7-2018体育场地使用要求及检验方法 第7部分:网球场地GBT 22517.7-2018体育场地使用要求及检验方法 第7部分:网球场地GBT 22517.7-2018体育场地使用要求及检验方法 第7部分:网球场地GBT 22517.7-2018体育场地使用要求及检验方法 第7部分:网球场地GBT 22517.7-2018体育场地使用要求及检验方法 第7部分:网球场地GBT 22517.7-2018体育场地使用要求及检验方法 第7部分:网球场地GBT 22517.7-2018体育场地使用要求及检验方法 第7部分:网球场地GBT 22517.7-2018体育场地使用要求及检验方法 第7部分:网球场地GBT 22517.7-2018体育场地使用要求及检验方法 第7部分:网球场地GBT 22517.7-2018体育场地使用要求及检验方法 第7部分:网球场地GBT 22517.7-2018体育场地使用要求及检验方法 第7部分:网球场地GBT 22517.7-2018体育场地使用要求及检验方法 第7部分:网球场地GBT 22517.7-2018体育场地使用要求及检验方法 第7部分:网球场地GBT 22517.7-2018体育场地使用要求及检验方法 第7部分:网球场地GBT 22517.7-2018体育场地使用要求及检验方法 第7部分:网球场地GBT 22517.7-2018体育场地使用要求及检验方法 第7部分:网球场地GBT 22517.7-2018体育场地使用要求及检验方法 第7部分:网球场地GBT 22517.7-2018体育场地使用要求及检验方法 第7部分:网球场地

扫二维码用手机看

体育器材,体育场座椅看台得到许多客户认可

— — 专注于体育产品及服务的综合性公司 — —

留言应用名称:
产品表单
描述:

销售热线:

                郭经理   13393315910
                王经理   13180091871
                刘经理   18503245309
地址:河北省沧州市海兴县赵毛陶镇东部工业园

gotop